随着功能性服装的日益流行,以及凉感纺织品技术上的成熟,纺织品的凉感功能已经进入实用阶段,为了规范市场上的不良炒作,以及对凉感纺织品有一个正确的评定,相关部门制定的两项关于凉感纺织品的产品标准,一个是FZ/T 73067-2020 《接触凉感针织服装》,一个是FZ/T 62042-2020 《凉感面料床上用品》,这两项标准将于2021年4月1日正式实施,这也标志着在纺织品的功能性产品中,凉感纺织品也开始正式有标准可依。
凉感纺织品的概念最早出现于日本,其出发的初衷就是为了减少夏天人们对空调的依赖,从而减缓地球变暖的趋势,所以在前几年,国际上没有相关凉感纺织品的测试及评定标准时,在纺织品的国际贸易中,关于凉感纺织品的测试评定标准都是按照日标执行的。
凉感纺织品技术的发扬光大起步于美国,当凉感纺织品的概念被引进到美国后,美国的一些纤维研发公司从纤维的结构及原料入手,开发出来很多实用性的凉感纤维,其中最有代表性的就是coolmax,直接用“cool”来表明纤维的凉感性能,但是coolmax纤维只是利用其吸湿快干的性能,使人体产生的汗液快速导出而带走一些热量,其给人的感觉是干爽而不是凉爽。
在我国首个关于纺织品凉感性能检测和评价的标准GB/T 35263-2017《纺织品 接触瞬间凉感性能的检测和评价》标准中,对纺织品的凉感性能的定义是,皮肤与低于其温度的织物接触时,引起皮肤表面热量快速流失,温度瞬间下降,再经过皮肤中感温神经末梢反映到大脑后形成的凉爽感觉。
从这个关于凉感的定义中我们不难发现,coolmax其实并不能算是真正的凉感纤维,要使皮肤接触纺织品后能引起皮肤表面的热量快速流失,就必须要求纺织品具有良好的导热性能,同时纺织品本身不会快速吸热升温,也就是必须具有吸热慢而散热快的特点。目前赋予纺织品具有凉感功能的方法主要有使用凉感纤维或做凉感后整理。
凉感纤维主要是一些化学纤维,就是在纤维的纺丝液中加入导热性能好的一些物质,例如我们说的玉石纤维,就是在纤维纺丝液中加入了玉石或云母等矿物质的纳米状粉末,利用这些矿物质导热性能好又吸热慢的特性,从而使得纤维具有凉感的功能。在保暖纺织品中提到的相变调温纤维也可以用来制作凉感纺织品,因为相变物质不但在低温下会通过相变来产生放热反应而使纺织品具有保暖功能,还可以在高温环境下通过逆相变来产生吸热反应而使纺织品具有凉感功能。
凉感整理主要是利用凉感整理剂易挥发性,或遇水发生吸热反应的特点,使得纺织品接触皮肤后因为整理剂的挥发而带走表皮的热量,或因为整理剂与表皮的汗液发生吸热反应而使皮肤表面温度降低,常用的凉感整理剂如挥发性好的薄荷油、遇水发生吸热反应的木糖醇等。
每到夏天,各商家关于凉感纺织品的宣传就五花八门,但由于没有专门的产品标准来约束,所以大多数都是一些概念炒作,虽然早在2017年我国就制定了关于凉感纺织品的检测评定标准,但它只是一个方法标准而不是产品标准,所以对相关产品的约束并不高,即将实施的两项凉感纺织品的产品标准正好填补了这方面的不足。
FZ/T 73067《接触凉感针织服装》将产品的凉感功能分为三个等级,优等品服装的接触凉感系数不小于0.25、一等品服装的接触凉感系数不小于0.20、合格品服装的接触凉感系数不小于0.18,这都比GB/T 35263-2017《纺织品 接触瞬间凉感性能的检测及评定》中不小于0.15的要求要高。
测试方法按GB/T 35263-2017规定,具体如下:
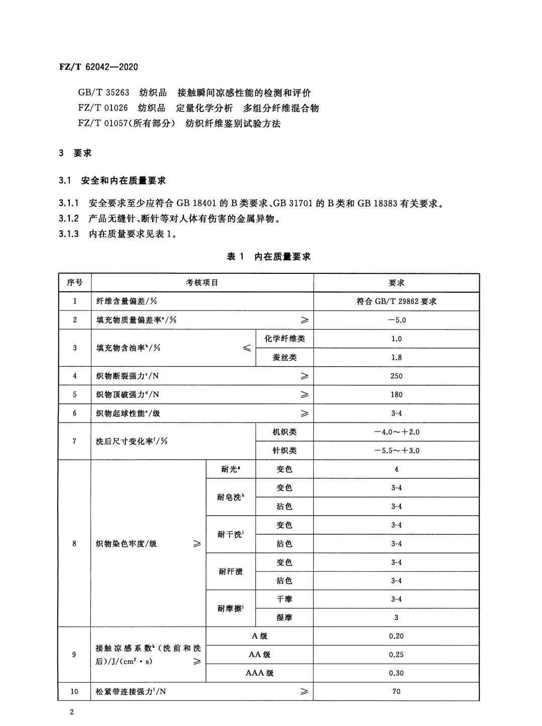
FZ/T 62042《凉感面料床上用品》也是根据产品的接触凉感系数把产品分为三个等级,A级产品的接触凉感系数不小于0.20、AA级产品的接触凉感系数不小0.25、AAA级产品的接触凉感系数不小于0.30,我们看到床上用品的接触凉感要求比服装还要高。
测试方法按GB/T 35263规定,具体如下:
有了产品标准关于功能性的具体要求,我们以后在购买这些产品时就有了依据,今后一定要看产品标签上是否标注了这个产品标准,以及产品的功能等级,如果标签上不是执行的凉感纺织品的标准,那么商家再怎么宣传其凉感性能我们也不要买。

1.本着“开放、协作、分享”的互联网精神,我们欢迎各方自媒体、传统媒体与机构,转载、引用染化在线的原创内容,但必须注明来源自染化在线网,否则我们将依法追究侵权责任。
2.原则上,我们同意在注明出处的前提下,各方使用染化在线的原创素材(图片、视频等)。
3.染化在线网尊重各方知识产权,保护原创作者的合法权益。如发现本站文章存在版权问题,请联系微信rhzxzjf,我们将及时核查、处理。